新城学校突发事件应急疏散演习方案
【演习目的】
为切实提高我校师生的应急逃生意识,真正掌握防火、防震安全知识,增强自救互救能力,全校学生在火灾、地震等突发事件中能做到紧张有序、及时有效地撤离事故现场,减少、避免伤害事故发生,培养学生的自我防护能力,我校决定举办二○一七年突发事件应急疏散演练,具体方案如下:
【演习时间】2017年5月11日(具体时间听警报)
【演习信号】广播播放警报
【人员安排】
一、领导小组
总 指 挥:陈理
副总指挥:余文新 赵娅
成 员:胡联辉 王军 苟兴勇 牟苡慧 叶凯伦 冯晓敏 王猛 张赐贤 赵晓 温荫明 徐丽娜 李锐华
二、组织成员
灾情报警:牟苡慧 陈沐斌 信息及计时:杨东飞
校园警戒:莱蒙物业公司李主任 保 安 照相、摄影:胡万祥、吴凯杰
紧急救助站:地点——篮球场,由校医徐青、梁雨霞负责,黄小兰、谭晓碧协助。
人员统计:潘晓生 宣传报道:叶凯伦、邓萃
| 地点 | 负责人 | 职责 | |||||
| 田径场 | 胡联辉、刘星明、潘晓生 | 负责田径场学生秩序、教工学生人数统计。 | |||||
| 功能室 | 各功能室上课老师 | 负责组织学生从功能室撤离到安全地点 | |||||
| 东楼梯 | 西楼梯 | 总负责 | 1、指导楼梯口疏散; 2、清理楼层(东楼梯负责人:办公室及东边二个教室;西楼梯负责人:西边3个教室); 3、负责组织学生从出口撤离到安全地点; 4、各班主任负责带领班级学生安全、快速、有序疏散; 5、年级组长为楼层消防负责人,负责年级撤离、检查、协调; 5、二楼有平台的,架空层负责人同时负责指导平台楼梯口的疏散; 6、没有课又没有固定岗位的老师,立即到办公室所在楼层消防负责人(年级组长)处报到,协助疏散。 | ||||
| C栋 | 2楼 | 王丽 | 陈超 | 杨波 | |||
| 3楼 | 吴苗苗 | 涂园妹 | 李锐华 | ||||
| 4楼 | 彭玲 | 陈红英 | 陈莎 | ||||
| 5楼 | |||||||
| 架空层西 | 刘朝霞 | ||||||
| 架空层东 | 黎燕 | ||||||
| D栋 | 2楼 | 段玉侠 | 袁生慧 | 袁生慧 | |||
| 3楼 | 温晓莲 | 汪婷 | 温荫明 | ||||
| 4楼 | 周纯 | 宋萍萍 | 陈俊 | ||||
| 5楼 | 刘俊彦 | 王玉琼 | |||||
| 架空层西 | 李臻 | ||||||
| 架空层东 | 廖佳慧 | ||||||
| E栋 | 2楼 | 伏一清 | 任 远 | 唐艳春 | |||
| 3楼 | 张英超 | 余欣 | |||||
| 4楼 | 许诗 | 曾文怡 | 刘峰 | ||||
| 5楼 | 郭燕丹 | 钟洁娜 | |||||
| 架空层西 | 黄雪芹 | ||||||
| 架空层东 | 张元哲 | ||||||
| A栋 | 2楼 | ||||||
| 3楼 | |||||||
| 4楼 | |||||||
| 5楼 | 刘伟 | 吴秋霞 | 陈莎 | ||||
| 门卫室旁 | 前门保安 | ||||||
| 校医室旁 | 甘冠军 | ||||||
三、演练程序:
1、疏散信号
疏散演练的口令为:“警报蜂鸣声”。
广播同时播出“老师们、同学们请注意,现在发生紧急情况,为确保安全,请迅速集队,务必听从指挥,不要惊慌。”听到学校发出的警报声后,班主任迅速集队。全校师生立即快速、有序、安全进行疏散。
2、班主任领队,学生排二列队伍下楼道,要求依次靠楼道二侧、快速、安全下楼,不争、不抢,以免发生拥挤踩踏事故。
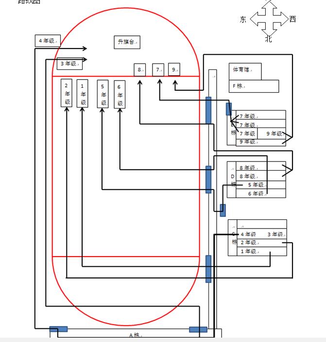
3、疏散路线:所有班级按照升旗出场顺序和位置进行疏散。
4、集合地点:学校操场
5、人员清点:班主任应当在集合地点对疏散的学生人数进行清点,并继续寻找滞留在事故现场的学生和受伤人员,帮助其安全撤离。
四、 疏散前的注意事项:
1、全体师生要高度重视此项活动,各就各位,要严格按照指定时间、计划和方案要求,开展逃生演练活动,不得延误。要严肃对待本次活动,不得当儿戏。
2、各班主任和组织人员要树立“安全第一”的思想,班主任教师提醒疏散的同学不出现惊慌与骚乱,保证每位学生安全、有序地疏散逃生。
3、在教学楼内逃生过程中,学生应该弯下腰慢跑,同时用手帕捂住口鼻,在班主任的引导下按指定路线有序疏散逃生。
4、楼道护导老师确保疏散通道的畅通和现场秩序稳定。
5、各工作小组本着对学生高度负责的态度,及时发现、处理演练时出现的问题,确保演练不出现师生伤害事故。
八、演习完毕,总结点评
新城学校疏散演习小结
老师们、同学们:
这次演习,学生应到人数 ,实到人数 , 人请假,教职工应到人数 ,实到人数 人请假,无一人伤亡,从听到警报到完全上报人数,共用了 分 秒!基本达到了预期的效果。在演习中,师生们都表现得沉着冷静,应对灵活,各尽其职,有条不紊,撤离迅速,希望大家能继续发扬这种沉着灵活、听从指挥的作风,以常规演练应对紧急事件的做法,做到安全、快速、撤离!
路线图









